一、實驗目的
1、了解曲柄搖桿機構的裝配及其運動特性。
2、訓練學生的工程實踐動手能力,培養學生的創新意識及綜合設計的能力。
3、加深學生對平面機構組成原理的理解。
二、實驗原理
任何平面機構可以用零自由度的桿組依次連接到原動件和機架上去的方法來組成,這是機構的組成原理,也是本實驗的基本原理
1、曲柄搖桿機構
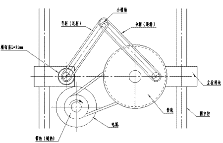
結構說明:圖1所示為曲柄搖桿機構。當機構尺寸滿足下列條件時:
BC=CD=CM=2.5AB AD=2AB
曲柄1繞A點沿著a-d-b轉動半周時,連桿2上M點軌跡為近似直線a1-d1-b1。
應用舉例:利用連桿上M點近似直線段,可應用于搬運貨物的輸送機上,及電影放映機的抓片機構等。

圖1 曲柄搖桿機構
圖1搖桿機構
三、實驗設備及功能
1)實驗臺機架
實驗臺機架如圖2所示:機架中有5根鉛垂的活塞桿,它們可沿X軸左右移動,固定靠六角頭螺釘和蝶型螺母固定。需移動時請先將蝶型螺母松開,雙手推動活塞桿.并盡可能使它保持垂直狀態。活塞桿上的滑塊可沿Z軸上下移動,用內六角螺釘將滑塊緊定在活塞桿上。(注意:在移動立柱或滑塊時需用直尺或卷尺量出它們的相對位置再把螺釘擰緊。)

圖2 機架
2)其它組件
| 序號 | 名 稱 | 示 意 圖 | 規 格 | 數量 | 備 注 |
|
1 |
主動軸帶輪 |
![]() |
1 | ||
|
2 |
電機軸帶輪 |
![]() |
1 | ||
|
3 |
主 軸 |
![]() |
1 | ||
|
4 |
齒 輪 |
1 | |||
|
5 |
連 桿 |
|
L=250 | 1 | |
|
6 |
連 桿 |
|
L=200 | 1 | |
|
7 |
隔 套 |
|
T(厚度)=2 | 2 | |
|
8 |
銷 軸 螺 釘 |
![]() |
L=14.2 | 2 | |
|
9 |
隔 套 |
|
T(厚度)=4 | 1 | |
|
10 |
銷 軸 螺 釘 |
![]() |
L=16.2 | 1 | |
|
11 |
從 動 軸 |
![]() |
1 | ||
|
12 |
螺 釘 套 |
![]() |
T(厚度)=17 | 1 | |
|
13 |
端 蓋 |
![]() |
2 | ||
|
14 |
卡 環 |
![]() |
1 |
提供M5平頭螺釘、M3圓頭螺釘、內六角扳手一套,1m卷尺一把,開口扳手1個。
四、實驗臺效果圖及實物圖

圖3 裝配圖

圖4 爆炸圖
五、實驗方法與步驟
⑴機構分析
①測繪時使測繪的機構緩慢地運動,從原動構件開始仔細觀察機構運動,分清各運動單位,確定原動件、機架、傳動部件和執行部件。從而確定組成機構的構件數目,運動副的數目。
②根據聯接構件間的接觸情況及相對運動的性質,確定各個運動副的種類。
③要選擇最能表現機構特征的平面作為視圖平面。
④在稿紙上徒手按規定的符號及構件的聯接次序逐步畫出機構運動簡圖的草圖。然后用數字1、2、3 …… 分別標出各構件,用A、B、C …… 分別標出各運動副。
⑤仔細測量機構各運動尺寸(如轉動副間的中心距、移動副導路的位置),對于高副則應仔細測出高副的輪廓曲線及其位置,然后以適當的比例做出機構運動簡圖
⑵繪制機構運動簡圖的步驟
①搞清機械的實際構造、動作原理和運動情況,
②沿運動傳遞路線,逐一分析每兩個構件之間相對運動的性質,確定運動副的類型和數目。
③恰當選擇運動簡圖的視圖平面,通常選擇機械中多數構件的運動平面為視圖平面。
④選擇恰當的作圖比例尺。
⑤確定各運動副的相對位置,用各運動副的代表符號、常用機構運動簡圖符號和簡單線條,繪制機構運動簡圖。
⑥在原動件上標出箭頭以表示其運動方向。











