一、任務目標
1、掌握用普通數字萬用表簡單測試常用元器件好壞的方法
2、掌握用色標法讀電阻及誤差等級
3、掌握常用元器件的符號及型號的命名方法
二、任務預習
1、常用半導體器件的結構、性能及單向導電特性
2、常用半導體器件的型號命名法及簡單的測試方法
3、電阻器和電位器的型號命名法及簡單的測試方法
4、電容器的型號命名法及簡單的測試方法
三、實訓設備
| 序 號 | 型 號 | 名 稱 | 數 量 |
| 1 | LDCS01 | 電源控制屏 | 1 套 |
| 2 | LDCS02 | 實訓桌 | |
| 3 | VC890D | 數字萬用表(便攜式) | 1 臺 |
| 4 | 元器件測試箱 | 1 件 |
表2-2-1
四、實訓過程
常用電子元器件的識別和簡單測試
電子元器件的種類繁多,常用的有電阻器、電容器、電位器、二極管、三極管等,下面將對其測試方法作一介紹。
1、電阻器的識別和測試
(1)電阻的分類
電阻器按結構可分為固定電阻、可變電阻和敏感電阻器;按材料和使用性質可分為膜式電阻、線繞式電阻、熱敏電阻、壓敏電阻;按特性可分為線性電阻和非線性電阻等。
(2)電阻器的主要技術指標
1)額定功率
電阻器在電路總消耗的功率有一定限制,超過了就可能損壞。電阻器在電路中長時間安全工作所允許消耗的最大功率,稱為電阻器的額定功率。1W或大于1W的電阻器都用代表額定功率的阿拉伯數字直接標注在電阻器符號上;0.5W,0.25W和0.125W的電阻器分別用橫線和斜線表示;更小的電阻器則不作標注。
2)標稱阻值和允許偏差
標稱阻值是電阻器的設計阻值,實際阻值往往偏差標稱阻值,允許偏差給出了限制范圍。
電阻器的標稱阻值和允許偏差一般都標在電阻器上,標志方法有直標法、字母符號法和色標法3種。
a)直標法:標稱阻值用阿拉伯數字和單位符號直接標志在電阻器表面,允許偏差用百分數直接表示。
b)字母符號法:它用阿拉伯數字和拉丁字母組合表示標稱阻值和允許偏差。拉丁字 母R、K、M分別代表阻值單位,具體對應關系是:R-歐姆(Ω)、K-千歐(kΩ)、M-兆歐(MΩ)。字母前面的數字代表阻值的整數部分,字母后面的數字代表阻值的小數部分。例如,27R表示27Ω,6K8表示6.8kΩ。表示允許偏差的字母有J、K、M等,對應關系為:J-±5%、K-±10%、M-±20%。
c)色標法:小功率電阻器因表面積小,無法直接標注數字和字母,往往在電阻器表面涂上3~5道不同顏色的色環,其中較寬的一環是最后一環。五環色標的含義圖2-2-2所示。

圖2-2-2 五環色標的含義
四環色標是在五環基礎上去除第三環;三環色標是在五環基礎上去除第三環和第五環,這時允許偏差約定為±20%。色標的含義見表2-2-3
| 色別 | 第一、二、三環 | 第四環 | 第五環 |
| 有效數字 | 應乘倍數 | 允許偏差(%) | |
| 銀 | - | 10-2 | ±10 |
| 金 | - | 10-1 | ±5 |
| 黑 | 0 | 100 | - |
| 棕 | 1 | 101 | ±1 |
| 紅 | 2 | 102 | ±2 |
| 橙 | 3 | 103 | - |
| 黃 | 4 | 104 | - |
| 綠 | 5 | 105 | ±0.5 |
| 藍 | 6 | 106 | ±0.25 |
| 紫 | 7 | 107 | ±0.1 |
| 灰 | 8 | 108 | - |
| 白 | 9 | 109 | - |
圖2-2-3色標的含義
(3)電阻器的型號命名方法:型號命名方法如圖2-2-4所示。

圖2-2-4 電阻器的型號命名方法
| 第一部分 | 第二部分 | 第三部分 | 第四部分 | |||
| 用字母表示主稱 | 用字母表示材料 | 用數字或字母表示分類 | ||||
| 符號 | 意義 | 符號 | 意義 | 符號 | 意義 | |
| R | 電阻器 | T | 碳膜 | 1 | 普通 | |
| W | 電位器 | P | 硼碳膜 | 2 | 普通 | |
| U | 硅碳膜 | 3 | 超高頻 | |||
| H | 合成膜 | 4 | 高阻 | |||
| I | 玻璃釉膜 | 5 | 高溫 | |||
| J | 金屬膜 | 7 | 精密 | |||
| Y | 氧化膜 | 8 |
高壓(電阻)、 特殊(電位器) |
|||
| S | 有機實心 | 9 | 特殊 | |||
| N | 無機實心 | G | 高功率 | |||
| X | 線繞 | T | 可調 | |||
| C | 沉積膜 | X | 小型 | |||
| G | 光敏 | L | 測量用 | |||
| W | 微調 | |||||
| D | 多圈 | |||||
表2-2-5電阻器和電位器的型號命名方法
(4)電阻器的測試和好壞判別
1)阻值測量。選擇萬用表歐姆檔合適的量程。測電阻時手指不要觸碰電阻器,以免影響測量的準確性。
2)電阻器好壞的判別。測得阻值為無窮大時,表明電阻器已燒毀或引線斷開。數值來回跳動表明內部接觸不良。實測阻值超過允許偏差范圍表明該電阻器質量不好。
2、電容器的識別和測試
(1)電容器的分類。
電容器一般分為固定電容器、可變電容器、微調電容器3種。
1)固定電容器。固定電容器按介質材料不同可分為云母電容器、紙介電容器、陶瓷電容器、有機薄膜電容器、電解電容器等。
2)可變電容器。有空氣介質和固體介質等。
3)微調電容器。電容器的變化范圍比較小,常以陶瓷、云母及空氣作介質。
(2)電容器的主要技術指標。
標稱容量和允許偏差。一般電容器的標稱容量系列與電阻器采用的系列相同。電容器的標稱容量和允許偏差一般標在電容器上,標志方法有直標法、數碼表示法和色碼表示法3種。
直標法:電容量單位通常有微法(μF,10-6F)、納法(nF,10-9F)和皮法(pF,10-12F)。例如,6μ8表示標稱容量為6.8μF,51p表示標稱容量為51pF。
數碼表示法:一般用三位數字來表示容量,單位為pF。前兩位數字為有效數字,第三位數字表示位率,該數字n=0~8時,位率為10n;該數字n=9時,位率為10n-10=10-1。三位數字后的字母表示允許偏差,常用的有J、K、M,分別表示±5%、±10%、±20%。例如,304J表示0.3μF±5%。
色碼表示法:類似于電阻器的色標法。色碼一般有三位,前兩個代表有效數字,第三個代表位率,單位表示pF。
(3)電容器的額定直流工作電壓,又是指電容器在電路中能長時間安全工作所能承受的最大直流電壓,又稱耐壓。工作在交流狀態時,加在電容器兩端的交流峰值電壓不得超過額定直流工作電壓。電容器的耐壓根據需要從幾伏到幾萬伏不等。
(4)電容器的型號命名方法。電容器的型號一般由4部分組成,如圖2-2-6所示,具體含義如表2-2-7和表2-2-8所示。

圖2-2-6 電容器的型號命名方法
表2-2-7 電容器的介質材料字母符號及含義
| 字母符號 | 電容器介質材料的含義 | 字母符號 | 電容器介質材料的含義 |
| A | 鉭電解 | L | 聚酯等極性有機薄膜 |
| B | 聚苯乙烯等非極性有機薄膜 | N | 鈮電解 |
| C | 高頻陶瓷 | O | 玻璃膜 |
| D | 鋁電解 | Q | 漆膜 |
| E | 其他材料電解 | T | 低頻陶瓷 |
| G | 合金電解 | V | 云母紙 |
| H | 紙膜復合 | Y | 云母 |
| I | 玻璃釉 | Z | 紙 |
| J | 金屬化紙 |
表2-2-8 電容器的分類數字符號及含義
| 數字 | 瓷介電容器 | 云母電容器 | 有機電容機 | 電解電容器 |
| 1 | 圓形 | 非密封 | 非密封 | 箔式 |
| 2 | 管形 | 非密封 | 非密封 | 箔式 |
| 3 | 疊片 | 密封 | 密封 | 燒結粉 非固體 |
| 4 | 獨石 | 密封 | 密封 | 燒結粉 固體 |
| 5 | 穿心 | 穿心 | ||
| 6 | 支柱等 | |||
| 7 | 無極性 | |||
| 8 | 高壓 | 高壓 | 高壓 | |
| 9 | 特殊 | 特殊 |
(5)電容器的測試和好壞判別
一般用萬用表的歐姆檔判別電容器的好壞、性能、容量和極性(電解電容器)。要合理選用量程,容量越大,應選量程越小;容量越小,應選量程越大。容量小于5000pF的電容器不能用萬用表測試(僅可判別是否擊穿短路)。
1)固定電容器性能好壞的判別
將萬用表的兩表筆分別接電容器的兩極,表針先正方向偏擺,然后逐漸向反方向復原,退回到R=∞處。如不能復原,穩定時的讀數即為電容器的漏電電阻。此阻值越大,說明絕緣性越好。在測試時如表針無偏擺現象,說明電容器內部斷路;如表針正擺后不返回,且阻值很小或為零,說明電容器內部短路。
2)電容器容量的判斷
用表筆接觸電容器的兩級,表針先正擺,然后逐漸復原。對調紅、黑表筆,表針又正擺,偏轉幅度比前次大,然后又逐漸復原。電容量越大,表針偏擺幅度越大,復原速度越慢。據此可粗略判斷電容量的大小。
3)電解電容器極性的判斷
電解電容器正向連接時漏電小,反向連接時漏電大。對調表筆,分別測試電解電容器正、反向漏電電阻,取測得電阻值偏大的一次,黑表筆所接的為電解電容器的正極。
3、半導體的識別和測試
所謂半導體是指 導電能力介于導體和半導體之間的物質。常用作半導體物質有硅、鍺、氧化鉀等。
(1)二極管的主要參數
最大整流電流IFM。它是二極管長時間使用時允許通過的最大正向平均電流,也稱額定工作電流。
最大反向工作電壓URM。它是保證二極管不被擊穿的允許加上的最高反向電壓,也稱額定工作電壓。
最大反向電流IRM。它是最大反向工作電壓下的反向電流。
(2)三極管的主要參數
電流放大系數:共發射極電路交流電流放大系數β,它是在三極管接成共射極電路時,在規定的工作條件下,集電極電流變化量與基極電流變化量的比值。共發射極電路直流電流放大系數hFE,它是在三極管接成共發射極電路時,在規定的工作條件下,集電極電流與基極電流的比值。
極間反向電流:集電極-基極反向飽和電流ICBO。它是當發射極開路,在集電極和基極之間加一規定的反向偏置電壓時的反向電流。 集電極-發射極反向飽和電流ICEO。它是當基極開路,在集電極-發射極之間加一規定的反向電壓時的反向電流,又叫穿透電流。
極限參數:集電極最大電流ICM,是指β值下降到正常值的2/3時的集電極電流。
集電極-發射極反向擊穿電壓UCEO,它是基極斷開時,加在集電極和發射極之間最大的允許工作電壓。
集電極最大允許耗散功率PCM,它是保證三極管不損壞而允許集電極上損耗功率的最大值。
(3)半導體器件的命名方法
半導體器件的型號由五部分組成:第一部分用數字表示半導體管的電極數;第二部分用拉丁字母表示半導體管的材料和極性;第三部分用拉丁字母表示半導體管的類別;第四部分用拉丁字母表示序號,第五部分用拉丁字母表示區別代號。半導體器件型號前三部分的含義見表7,半導體器件型號識別示例如圖2-2-9所示。

a) b)
圖2-2-9 半導體器件識別實例 a)二極管 b)三極管
表2-2-10 二極管和三極管的分類數字符號及含義
| 第一部分 | 第二部分 | 第三部分 | |||
|
用數字表示 器件的電極數目 |
用拉丁字母表示 器件的材料和極性 |
用拉丁字母 表示器件類型 |
|||
| 數字 | 意義 | 符號 | 意義 | 稱號 | 意義 |
| 2 | 二極管 | A | N型鍺材料 | P | 普通管 |
| 3 | 三極管 | B | P型鍺材料 | W | 穩壓管 |
| C | N型硅材料 | V | 微波管 | ||
| D | P型硅材料 | Z | 整流管 | ||
| A | PNP型鍺材料 | S | 隧道管 | ||
| B | NPN型鍺材料 | N | 阻尼管 | ||
| C | PNP型硅材料 | U | 光電器件 | ||
| D | NPN型硅材料 | K | 開關管 | ||
| X | 低頻小功率管 | ||||
| G | 高頻小功率管 | ||||
| D | 低頻大功率管 | ||||
| A | 高頻大功率管 | ||||
| T | 閘流管 | ||||
| Y | 體效應管 | ||||
| J | 階躍恢復管 | ||||
| L | 整流堆 | ||||
| C | 參量管 | ||||
| CS | 場效應管 | ||||
| BT | 半導體特殊器件 | ||||
| FH | 復合管 | ||||
| GJ | 激光器件 | ||||
表2-2-10
(4)半導體器件的測試和判斷
1)二極管的測試和判別
用萬用表的二極管檔位進行測試。如果儀表的兩次測試讀數均顯示為“1”,說明被測二極管已損壞或不是二極管。如果兩次讀數又一次顯示為.2××~.7××(×表示任意數字),另一次顯示為“1”時,說明二極管是好的。在兩次測試中,有數字顯示的那次測量,數字萬用表的紅表筆所接的一端為陽極,黑表筆所接的一端為陰極。
2)三極管的測試和判別
可根據管腳排列從外觀上判別管腳。常見二極管的管腳排列如圖2-2-11所示。
a)判斷管型和基極
用萬用表的二極管檔來測試。用紅表筆按一個極,黑表筆依次碰接另外兩個極,如果均導通,則為PNP型三極管,紅表筆所接的電極為基極。用黑表筆固定一個極,紅表筆依次碰接另外兩個極,如果導通,則為NPN型三極管,黑表筆所接的極為基極。
b)判斷集電極和發射極
在已知的基極的前提下,假定另外兩管腳一個為集電極c,另一個為發射極e。對于NPN型管,將黑表筆接集電極c,紅表筆接發射極e,然后用大拇指和食指捏住基極b和集電極c(兩極不能相碰,相當于在兩極間接上一個電阻),觀察萬用表并記下數值。交換連接集電極和發射極的兩表筆,重復上述過程。比較兩次測試結果,數值較大的一次對管腳的假設是正確的,即黑表筆所接的是集電極,另一極即為發射極。對于PNP型管,只需將紅表筆接假設的集電極,測試過程同上。數值較大的一次,紅表筆所接的是集電極,另一極為發射極。
3)晶閘管的測試和好壞判別
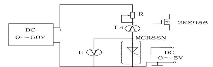
首先將晶閘管(MCR8SN)接入主電路,主電路直流0~50V電源用屏上直流電樞電源,控制回路電源用0~30V直流可調穩壓電源,把30V可調穩壓電源電位器沿逆時針旋到底, 電位器選元器件測試箱上的1K\2W的電位器;電流表選用控制屏上20mA~2000mA的直流檔,直流電壓表選用100V的電壓檔
按圖2-2-12接線,按下控制屏上的“啟動”按鈕,然后緩慢調節電樞電源電壓電壓為50V,同時監視電壓表的讀數,調節0~30V直流可調穩壓電源電位器,電壓調到1V,監視電壓表、電流表的讀數,當電壓表指示接近零(表示管子完全導通),停止調節,然后關斷1V控制電壓。陽極和陰極之間依然導通。只有將晶閘管的陽極和陰極之間的電壓調到不能維持晶閘管導通,(也就是減小電樞電源)管子才會關斷,說明此時的管子是好的。

圖2-2-11 三極管外形識別管腳
4)絕緣柵型場效應管的測試和好壞判別
首先將絕緣柵型場效應管(2KS956)接入主電路,主電路直流0~50V電源用屏上直流電樞電源,控制回路電源用0~30V直流可調穩壓電源,把30V可調穩壓電源電位器沿逆時針旋到底, 電位器選元器件測試箱上的1K\2W的電位器;電流表選用控制屏上20mA~2000mA的直流檔,直流電壓表選用100V的電壓檔
按圖2-2-12接線,按下控制屏上的“啟動”按鈕,然后緩慢調節電樞電源電壓電壓為50V,同時監視電壓表的讀數,調節0~30V直流可調穩壓電源電位器,電壓調到5V,監視電壓表、電流表的讀數,當電壓表指示接近零(表示管子完全導通),停止調節,說明此時的管子是好的。

圖2-2-12 晶閘管、場效應管接線圖
5)單結晶體管的測試和好壞判別
首先將絕緣柵型場效應管(BT33F)接入主電路,主電路直流0~20V電源用屏上直流電樞電源,控制回路電源用0~30V直流可調穩壓電源,把30V可調穩壓電源電位器沿逆時針旋到底, 電位器選元器件測試箱上的1K\2W的電位器;電流表選用控制屏上20mA~2000mA的直流檔,直流電壓表選用100V的電壓檔
按圖2-2-13接線,按下控制屏上的“啟動”按鈕,然后緩慢調節電樞電源,電壓為20V,同時,監視電壓表的讀數,調節0~30V直流可調穩壓電源電位器,電壓從零開始調,同時監視電壓表、電流表的讀數,當電流表的值突然增加,電壓表的值隨著0~30V直流可調穩壓電源電位器增加突然下降到某一電壓值,繼續增加電壓值時,電流會一直增加,電壓基本保持不變,(電壓調節到20V時停止調節)。表示管子正常工作,說明此時的管子是好的。

圖2-2-13 單結晶體管測試電路接線圖

圖2-2-14單結晶體管特性曲線
單結晶體管的特性曲線如圖2-2-14所示當UBE1=0時,IE=IEO;當UEB1增大至UP(峰點電壓時),PN結開始正向導通,此時IE=IP(峰點電流);UEB1再增大一點管子就進入負阻區,隨著IE增大,UEB1減小,直至UEB1=UV(谷點電壓),IE=IV(谷點電流),UV取決于PN結的導通電壓和rb1 的飽和電阻rs;當IE再增大,管子進入飽和區。單結晶體管的三個區如圖2-2-14所標注。
五、技能實訓考核評分記錄表(見表2-2-15)
表2-2-15
| 序號 | 考核內容 | 考核要求 | 配分 | 得分 |
| 1 | 技能實訓的準備 | 對“任務預習”的預習 | 10 | |
| 2 | 實訓元器件的測試 | 萬用表使用正確、量程選擇準確,測量速度快,測量一次成功 | 25 | |
| 3 | 實訓設備的使用 | 正確操作控制屏電源、操作按鈕,正確操作實訓設備其它資源 | 25 | |
| 4 | 觀察和記錄實訓過程的現象 | 記錄現象正確 | 10 | |
| 5 | 分析各元器件的結構和測試方法 | 用萬用表測量不同元器件的操作方法進行正確分析 | 30 | |
| 6 | 考評合計得分 | |||
| 7 | 否定項 | 發生重大責任事故、嚴重違反實訓室紀律,得分為0分 | ||
六、技能實訓報告
1、技能實訓的項目名稱
2、技能實訓的任務目標
3、技能實訓所用到的實訓設備
4、繪制實訓的測量圖
5、記錄實訓的過程、現象
6、分析實訓過程中萬用表測量不同元器件的操作方法
7、小結、體會和建議
七、思考與練習
1、試分析用萬用表測量二極管、三極管質量好壞的測試方法
2、試分析用萬用表測試晶閘管質量好壞的測試方法?


