PLC控制開關門實訓
一、實訓目的了解PLC控制電梯開關門原理
二、實訓器材
(1)實訓屏一套
(2)PLC控制電梯電路模塊一塊
(3)連接導線若干
三、實訓步驟
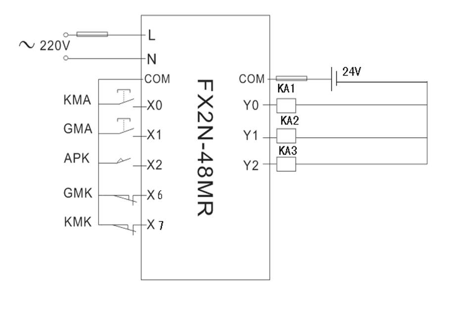
1、PLC接線原理圖

2、開關門機原理圖

3、控制要求
用PLC控制實現開關門控制
4、I/O分配圖
| 輸入 | 輸出 | ||||
| 元件代號 | 作用 | 輸入繼電器 | 元件代號 | 作用 | 輸出繼電器 |
| KMA | 開門按鈕 | X0 | GMJ(KA1) | 關門繼電器 | Y0 |
| GMA | 關門按鈕 | X1 | KMJ(KA2) | 開門繼電器 | Y1 |
| APK | 安全開關 | X2 | APJ(KA3) | 保護繼電器 | Y2 |
| GMK | 關門行程開關 | X6 | |||
| KMK | 開門行程開關 | X7 | |||
5、梯形圖



