LED數碼管顯示
一、實訓目的用PLC構成LED數碼管顯示控制系統
二、實訓器材
(1)實訓屏一套
(2)模塊PLC一塊
(3)連接導線若干
三、實訓步驟
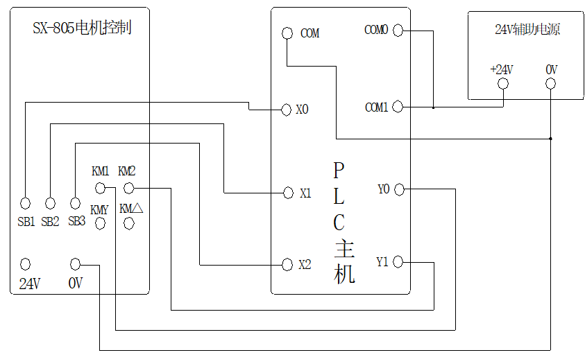
1.實物接線圖

2.控制要求:控制數碼管循環顯示數字0、1、2、…….9的控制系,按下停止按鈕就停止循環。
3.I/O分配
X0:停止按鈕(注:面板上的復位鍵) Y1~Y7:a~g
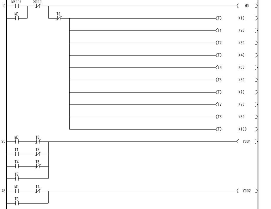
4.梯形圖



PLC實訓模塊是由LED指示燈和按鈕開關組成的控制模擬單元,每個單元都有不同的實訓內容,模擬了不同的工業現場,其工作電壓為DC24V,實驗導線連接如如例所示



