電機及電力拖動教案之變壓器
| 授課題目 | 項目三 變 壓 器 | ||||||
| 授課方式 | 多媒體教學 | 課型 | 新授 | 課時 | 8 | ||
|
教 學 目 標 |
知識目標 |
1.掌握變壓器的工作原理和銘牌數據的含義,了解變壓器的分類和結構 2.了解變壓器空載運行和負載運行的物理情況 3.掌握變壓器空載運行和負載運行時的基本方程式、等效電路 4.掌握變壓器的運行特性 5.了解三相變壓器并聯運行的原因,掌握三相變壓器并聯運行的條件 6.了解自耦變壓器、儀用互感器、電焊變壓器的結構、工作原理 |
|||||
| 技能目標 |
1.掌握進行空載試驗和負載試驗的方法 2.能夠計算變壓器的參數 3.能夠折算繞組得到變壓器負載運行時的等效電路 |
||||||
| 教學重點 | 變壓器的結構、“T”形等效電路、變壓器的外特性 | ||||||
| 教學難點 | 感應電動勢、負載運行時的電磁關系、自耦變壓器 | ||||||
| 教學方法 | 行動導向教學法 | ||||||
| 教學內容 |
1.了解變壓器的基本知識 2.了解變壓器的空載運行 3.了解變壓器的負載運行 4.掌握變壓器參數的測定方法 5.掌握變壓器的運行特性 6.認識三相變壓器 7.認識其他用途變壓器 |
||||||
| 教學過程 | 任務一 | ||||||
|
1.相關知識 1)變壓器的工作原理 2)變壓器的分類 3)變壓器的結構 (1)鐵芯 (2)繞組 繞組是變壓器的電路部分。它由漆包線或絕緣的扁銅線繞制而成,有同心式和交疊式兩種。同心式繞組是將高、低壓繞組套在同一鐵芯柱的內外兩層,如圖3-7所示。交疊式繞組的高、低壓繞組是沿軸向交疊放置的,如圖3-8所示。 ![]() 圖3-7 同心式繞組 圖3-8 交疊式繞組 (3)其他部件 4)變壓器的銘牌數據 (1)變壓器的型號 (2)變壓器的額定數據 (3)變壓器的其他數據 |
帶領學生學習 新知識 |
||||||
|
2.任務實施 老師提供可打開的變壓器實物,并組織學生共同完成以下任務。 1)將全班學生進行分組,并選出小組長。 2)每組分別對照實物指出變壓器的各個部件,并做簡要描述(如各部件的功能或作用原理)。 3)每組分別對照實物分析變壓器的工作原理。 4)討論結束后,小組長總結發言。 |
鞏固所學知識,提升學生實踐技能 | ||||||
|
3.任務測試 學生利用所學知識,回答以下問題。 1)變壓器的類型有哪些? 2)儲油柜、氣體繼電器和安全氣道各有什么作用? |
進一步 鞏固所學知識 |
||||||
| 任務二 | |||||||
|
1.相關知識 1)空載運行時的物理情況 2)空載運行時的電磁關系 (1)各電、磁量正方向的規定 (2)感應電動勢 (3)電壓平衡關系 按圖3-12所示的各物理量的正方向,根據電路的基爾霍夫電壓定律,容易得出一、二次繞組的電壓平衡方程式如下。 式中:r1——一次繞組的電阻; Z1——一次繞組的漏阻抗; 由于漏磁路主要由非磁性介質構成,其磁阻很大,漏磁通很小,因此反映漏磁通的漏電感和漏電抗很小,I0Z1也很小,有: 由此看出,主磁通的大小主要決定于電源的大小,只要電源電壓不變,可以認為主磁通維持不變,這是一個很重要的結論,在變壓器負載運行時仍然成立。 3)空載電流和空載損耗 4)空載運行時的等效電路 |
帶領學生學習 新知識 |
||||||
|
2.任務實施 老師組織一場分組討論。 1)將學生分組,并選出小組長。 2)每組同學自由模擬空載運行過程。 3)模擬過程中,請小組長總結。 4)討論結束后,由老師提問,小組組長發言。 |
鞏固所學知識, | ||||||
|
3.任務測試 學生利用所學知識,完成以下任務。 1)寫出空載運行時的物理情況。 2)描述變壓器空載運行時,各電、磁量的正方向是如何規定的。 |
進一步 鞏固所學知識 |
||||||
| 任務三 | |||||||
|
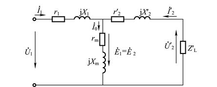
1.相關知識 1)負載運行時的物理情況 2)負載運行時的電磁關系 (1)磁動勢平衡方程式 空載時的主磁通 這一關系式稱為磁動勢平衡方程式。 式(3-18)兩邊同除以N1并移相,得: 由式(3-19)可知,當負載電流增大時, (2)電壓平衡方程式 3)負載運行時的等效電路 (1)繞組的折 (2)“T”形等效電路 經過折算繞組,可得變壓器的部分等效電路,如圖3-16(a)所示。其中一、二次側之間的耦合作用,由主磁通在繞組中產生的感應電動勢 ![]() (a)部分等效電路 ![]() (b)“T”形等效電路 圖3-16 變壓器的“T”形等效電路的形成過程 (3)近似和簡化等效電路 |
帶領學生學習 新知識 |
||||||
|
2.任務實施 老師組織學生用近似和簡化等效電路完成一、二次側電流及二次側電壓的計算。 已知一臺單相變壓器的數據為: |
鞏固所學知識, | ||||||
|
3.任務測試 學生利用所學知識,完成以下任務。 1)描述負載運行時的物理情況。 2)解釋這一原因:變壓器一、二次繞組沒有直接的電路連接,可是,當負載運行時,二次側電流增大或減小的同時,一次側電流也隨之增大或減小。 |
進一步 鞏固所學知識 |
||||||
| 任務四 | |||||||
|
1.相關知識 1)空載試驗 2)短路試驗 3)標幺值 |
帶領學生學習 新知識 |
||||||
|
2.任務實施 老師給出如圖3-22、圖3-23所示空載試驗和短路試驗的線路圖,請同學們分組討論該試驗的操作方法。 ![]() 圖3-22 變壓器的空載試驗線路圖 ![]() 圖3-23 變壓器的短路試驗線路圖 |
鞏固所學知識,提升學生實踐技能 | ||||||
|
3.任務測試 學生利用所學知識,回答以下問題。 1)空載試驗和短路試驗的目的是什么? 2)變壓器的空載試驗一般在哪側進行?短路試驗一般在哪側進行? 3)標幺值是如何定義的? |
進一步 鞏固所學知識 |
||||||
| 任務五 | |||||||
|
1.相關知識 1)變壓器的外特性和電壓變化率 (1)變壓器的外特性 (2)變壓器的電壓變化率 2)變壓器的損耗和效率 (1)變壓器的損耗 (2)變壓器的效率 |
帶領學生學習 新知識 |
||||||
|
2.任務實施 老師組織一場作圖比賽。 1)將學生分組,并選出小組長。 2)每組學生在規定時間內,畫出變壓器的外特性曲線和效率特性曲線,并做簡要文字說明(組內同學可分工合作)。 3)作圖結束后,由老師提問,小組組長發言。 |
鞏固所學知識,提升學生實踐技能 | ||||||
|
3.任務測試 學生利用所學知識,回答以下問題。 1)變壓器的電壓變化率是如何定義的?它與哪些因素有關? 2)變壓器的效率與哪些因素有關? 3)變壓器運行中有哪些基本損耗?它們與哪些因素有關? |
進一步 鞏固所學知識 |
||||||
| 任務六 | |||||||
|
1.相關知識 1)三相變壓器的磁路結構 (1)三相組式變壓器的磁路結構 (2)三相心式變壓器的磁路結構 2)單相變壓器的極性 3)三相變壓器繞組的聯結及聯結組 (1)星形聯結 (2)三角形聯結 (3)Yy聯結組 (4)Yd聯結組 4)三相變壓器的并聯運行 (1)三相變壓器并聯運行的原因 (2)三相變壓器并聯運行的條件 |
帶領學生學習 新知識 |
||||||
|
2.任務實施 老師組織開展一場關于“三相變壓器為什么要并聯運行?并聯運行時需要滿足什么條件?”的討論,帶領學生共同完成以下任務。 1)將學生分組,并選出小組長。 2)每組同學自由討論。 3)討論過程中,請小組長總結。 4)討論結束后,由老師提問,小組組長發言,每小組回答并聯運行的原因或并聯運行的一個條件。 |
鞏固所學知識, | ||||||
|
3.任務測試 學生利用所學知識,回答以下問題。 1)三相心式變壓器與三相組式變壓器相比,有什么優點? 2)怎樣判斷變壓器的極性? 3)什么是時鐘表示法? |
進一步 鞏固所學知識 |
||||||
| 任務七 | |||||||
|
1.相關知識 1)自耦變壓器 (1)電壓關系 與單相變壓器相同,忽略漏阻抗壓降的影響,有: 式中:Ka——自耦變壓器的變壓比。 可見,在外加電壓U1一定時,通過移動二次繞組的移動觸頭,使二次繞組的匝數N2改變,便可改變自耦變壓器的變壓比Ka,達到調節二次繞組電壓U2的目的。 (2)電流關系 (3)功率關系 自耦變壓器的視在功率S為: 上式說明,自耦變壓器提供給負載的視在功率為U2I2由兩部分組成:一部分來自一次繞組吸收電源的功率U2I1,通過電路直接向負載傳送,稱為傳遞功率;另一部分是通過電磁感應產生并向負載傳送的功率U2I,稱為電磁功率。這一功率關系是自耦變壓器所特有的,所以相同容量的自耦變壓器比雙繞組變壓器消耗材料更少。 (4)自耦變壓器的優缺點 (5)自耦變壓器的應用場合 2)儀用互感器 (1)電流互感器 (2)電壓互感器 3)電焊變壓器 |
帶領學生學習 新知識 |
||||||
|
2.任務實施 老師組織開展一場關于“常用其他用途變壓器有哪些?”的討論,帶領學生共同完成以下任務。 1)將學生分組,并選出小組長。 2)每組同學自由討論。 3)討論過程中,請小組長總結。 4)討論結束后,由老師提問,小組組長發言。 |
鞏固所學知識, | ||||||
|
3.任務測試 學生利用所學知識,回答以下問題。 1)自耦變壓器有哪些優缺點? 2)使用電壓互感器時必須注意哪些事項? 3)為了保證電焊的質量和電弧燃燒的穩定性,對電焊變壓器有哪些要求? |
進一步 鞏固所學知識 |
||||||
| 課堂總結 | |||||||







