DB-PV26 太陽能基站光照跟隨PLC控制實訓模型

DB-PV26太陽能基站光照跟隨PLC控制實訓模型概述
太陽能以其不竭性和環保優勢已成為當今國內外最具發展前景的新能源之一。光伏(pv)發電技術在國外已得到深入研究和推廣,我國在技術上也已基本成熟,并已進入推廣應用階段。但太陽能存在著密度低、間歇性、光照方向和強度隨時間不斷變化的問題,這就對太陽能的收集和利用裝置提出了更高的要求。目前很多太陽能電池板陣列基本上都是固定的,不能充分利用太陽能資源,發電效率低下。如果能始終保持太陽能電池板和光照的垂直,使其最大化地接收太陽能,則能充分利用豐富的太陽能資源。據實驗,在太陽能發電中,相同條件下,采用自動跟蹤發電設備要比固定發電設備的發電量提高35%左右。因此,設計開發能自動追蹤太陽光照的控制系統,是非常有價值的研究課題。
一種新型的可編程邏輯控制器plc(programmable logic controller)的太陽光自動跟蹤系統,不僅能自動根據太陽光方向來調整太陽能電池板的朝向,結構簡單、而且在跟蹤過程中能自動記憶和更正不同時間的坐標位置,不必人工干預,特別適合天氣變化比較復雜和無人值守的情況,有效地提高了太陽能的利用率,有較好的推廣應用價值和市場應用前景。
一、DB-PV26太陽能基站光照跟隨PLC控制實訓模型自動跟蹤系統的組成及工作原理
太陽能光照自動跟蹤控制系統由plc主控單元、光照度傳感器、方位傳感器和信號處理單元、光伏模塊、電磁機械運動控制模塊和電源模塊組成。系統的組成框圖如圖1所示。
系統有自動和手動兩種控制方式,sb1和sb2為控制按鈕,用于手動操作,plc輸出的q0或q1分別連接到兩個繼電器線圈,以控制太陽板的正反兩個運動方向。在自動運行模式下,plc首先比較來自信號處理單元的兩個模擬輸入的值,然后決定輸出q0或者q1。
1.1可編程邏輯控制器plc單元
跟蹤控制器采用可編程邏輯控制器plc,它是太陽能電池板跟蹤系統的控制核心,是系統研究工作的重點。系統采用歐姆龍(omron)公司近年推出的α系列plc,該機型為介于大型機與小型機之間的中小型機,***大控制i/o點數為1184點。在應用中,中央處理器單元(cpu)采用c200hx-cpu43-e,它自帶一個編程口和一個rs232c口,該cpu具有豐富的指令功能,編程方便;開關量輸入模塊選用c200h-id212;開關量輸出模塊選用c200h-oc225;與上位機的通訊,通過在cpu中插入通訊板c200hw-com06-e(該板具有一個rs232c和一個rs-422/485)實現遠程通訊,由于采用了rs-422接口,采取平衡式發送,因此數據傳輸率高,而且串擾小,傳輸距離可達500m。特別對串并聯的并網光伏太陽能電池陣列的跟蹤系統控制,能發揮plc現場總線控制的優勢,進行集中控制。經過研究和優化設計,應用集成標準線路,采用模擬差壓比較原理,控制器具有跟蹤精度高、范圍寬、自動返回功能。限位裝置具有東、西、上、下四個方位的極限限位功能。采用雙重限位控制結構,即控制信號限位和驅動電機限位,保證了設備可靠地工作。圖2所示為plc輸入/輸出硬件配置圖。
太陽的方位隨著觀測位置和觀測時間的不同而不同,因此,欲跟蹤太陽就必須先對太陽進行檢測定位。檢測太陽光光強的方法有定時法、坐標法、太陽能電池板光強比較法和光敏電阻光強比較法。對這4種控制方法進行了對比篩選后認為:定時法電路雖然簡單,但由于季節的影響,系統的控制精度較差;坐標法控制精度較高,但控制電路復雜;光強比較法使系統的太陽能利用率不能達到***佳;光敏電阻比較法電路實現***簡單,對太陽能的利用率***大。
基于此,選擇控制精度高和電路易于實現的光敏電阻光強比較法作為本研究系統的檢測方案。光敏探測頭(傳感器)是太陽能電池板跟蹤系統的光信號接收器,它是利用光敏電阻在光照時阻值發生變化的原理,將兩個完全相同的光敏電阻分別放置于一塊電池板東西方向邊沿處的下方(光與電池板垂直時,一半可接收光,一半在下邊)。如果太陽光垂直照射太陽能電池板時,兩個光敏電阻接收到的光照強度相同,所以它們的阻值完全相等,此時電動機不轉動。當太陽光方向與電池板垂直方向有夾角時,接收光強多的光敏電阻阻值減小,驅動電動機轉動,直至兩個光敏電阻上的光照強度相同。控制靈敏度的高低直接影響跟蹤精度,光敏電阻光強比較法的優點在于控制精確,電路設計比較容易實現。經過實驗研究,選用質量輕、美觀、耐腐蝕的鋁合金材料,光電接收管經過嚴格的計算、定位,以保證其檢測靈敏度。
圖3所示是太陽光電定位裝置中光電檢測電路的俯視圖,共由9個光電三極管組成。正中央1個,旁邊8個圍成一圈。將此檢測板用一不透光的下方開口的圓柱體蓋住,圓柱體的直徑略大于檢測板的外圓。圓柱體的上方中央開一個與檢測用的光電二極管直徑相同的洞,以便光線通過。將整個光電檢測裝置安裝在太陽能光電池板上,光電二極管的檢測面與電池板平行。在圓柱體的外面不受圓柱體遮擋的地方(確保會受到光線的照射)也安裝一個光電二極管,其朝向與圓柱體內的光電二極管朝向相同,用于檢測環境亮度,并與圓柱體內的每個光電二級管及運放(可用lm324集成電路中的一個)構成一個比較電路。這樣當圓柱體內的光電二極管沒有受光線照射時,運放將輸出低電平,此電平可接到的輸人端進行檢測,圓柱體內的每個光電二級管各用一個plc的輸入端,共9個。這樣就可以檢測太陽光線的朝向,來決定哪個電機轉動,向哪個方向轉動。另外,為了增大光電二極管的檢測范圍,視實際情況需要,也可再增加一圈緊密排列的光電二極管,外圈的光電二極管與內圈的相應位置的光電二極管并聯。
檢測太陽能光譜范圍,是一種專門測量光度、亮度的儀器儀表。就是測量光照強度(照度)是物體被照明的程度,也即物體表面所得到的光通量與被照面積之比。照度計通常是由硒光電池或硅光電池和微安表組成。

1.5系統電源模塊
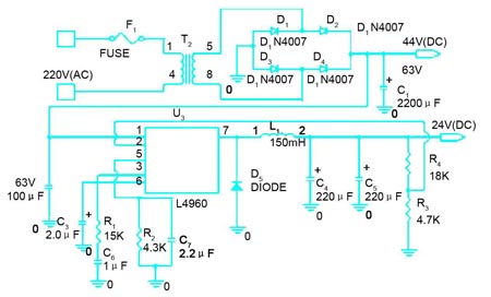
電源電路采用開關電源設計,具有高效率、低損耗的特點。采用開關控制芯片l4960,能提供5.1~40v的輸出電壓和2.5A的輸出電流。電源電路如圖5所示,通過調整兩個電阻r3和r4,以產生12-24v直流電壓,24v(dc)用于plc電源,44v(dc)直接取自整流橋側供給直流電機。如果用于光伏逆變系統的跟蹤系統,220v(ac)可以直接取自光伏逆變電源。
并網光伏發電系統控制軟件采用模塊化設計,包括plc控制和監控程序、pc監控和數據處理程序兩個主要部分。
2.1 plc控制和監控程序
plc控制語句是整個太陽能電池板跟蹤系統的重要組成部分,軟件編程采用歐姆龍公司的cx-programmer 7.1,cx-p梯形圖編程支持軟件為使用者提供了從操作界面到程序注釋的全中文操作環境,支持windows的拖拉及粘貼操作,以及完備的檢索功能和常用標準位簡易輸入功能,為使用者創造了一個高效的編程操作環境。通過計算機的rs-232c口與plc的rs-232c口連接,對plc進行數據實時監控、修改和在線編輯等,方便地把程序傳遞到plc中或從plc中讀出數據。plc主要完成如下工作:
(1) 控制跟蹤系統的運動,控制邏輯如圖6所示。
(3) 采樣數據存儲。這是一個在線采集存儲過程,通過ram數據存儲內部的特殊矩陣,每一小時讀取光敏電阻的值。數據采集白天進行,晚上停止,直到第二天日出。采集的時間(小時和分鐘)存儲在不同的矩陣,然后在pc機的屏幕上顯示出來。當ram內存滿時,將不再存儲數據,直到復位操作將存儲數據清除。這部分程序采用順序功能圖表(sequential functioning chart,sfc)進行編程,算法如圖7所示。
采用面向對象的高級編程語言visual basic 6.0實現以下功能:
(1) 自動檢測pc機rs232串口和plc端口的連接狀態。
(2) 系統監控。決定光伏模塊的實際位置和運動方向,顯示光敏電阻的讀數,以及內存溢出標記。
(3) 模塊的強制性前向和反向運動。通過程序界面,發出指令控制plc操作。如果出現系統位置異常,可強迫太陽板按照操作要求恢復初始位置。
(4) 顯示系統設置。顯示存儲在plc內存中的太陽跟蹤系統的設置,如前向和反向運動極限,光線暗度極限,前向和反向停止極限,以及對這些參數設置可直接進行修改。
4 結束語
本研究基于歐姆龍plc,采用光敏電阻比較法,構建了自動跟蹤系統模型,使太陽能電池板自動保持與太陽光垂直。太陽能電池板自動跟蹤太陽光并網發電系統的研究,有效地提高了太陽能的利用率和光伏發電系統的效率,增加了全年的發電功率輸出,從整體上降低了光伏并網發電的成本,符合構建環保型和節能型社會發展的要求,具有很高的經濟效益,并能產生良好的社會影響,具有理論研究意義和應用推廣前景。基于plc的太陽能電池板跟蹤系統能用于獨立的太陽能光伏發電,也能應用于串/并聯的并網光伏發電系統的現場總線控制,具有良好的應用前景。
一、DB-PV26太陽能基站光照跟隨PLC控制實訓模型自動跟蹤系統的組成及工作原理
太陽能光照自動跟蹤控制系統由plc主控單元、光照度傳感器、方位傳感器和信號處理單元、光伏模塊、電磁機械運動控制模塊和電源模塊組成。系統的組成框圖如圖1所示。

圖1 系統組成框圖
太陽能光伏發電設備自動跟蹤系統的光敏探測頭(傳感器)是用來檢測太陽光強的。當有偏差發生時,偏差信號經過跟蹤plc主控單元(控制器),采用模擬差壓比較原理,進行運算、比較、發出指令,使電動執行器動作,驅動機械部分轉動推動整個裝置旋轉,調整偏差,保證太陽能電池方陣正對太陽光,達到自動跟蹤太陽的目的。太陽能電池方陣在陽光的照射下光伏發電,通過控制器向蓄電池充電。系統配有自動保護線路,當風力達到8級時自動啟動,切斷跟蹤太陽系統,使電池方陣快速收平,在風力降下來時延時10分鐘,解除防風系統,恢復跟蹤過程。固定光強、跟蹤光強、電瓶溫度和自然風速等由微機進行數據采集,并對蓄電池充電和放電進行分級控制。系統有自動和手動兩種控制方式,sb1和sb2為控制按鈕,用于手動操作,plc輸出的q0或q1分別連接到兩個繼電器線圈,以控制太陽板的正反兩個運動方向。在自動運行模式下,plc首先比較來自信號處理單元的兩個模擬輸入的值,然后決定輸出q0或者q1。
1.1可編程邏輯控制器plc單元
跟蹤控制器采用可編程邏輯控制器plc,它是太陽能電池板跟蹤系統的控制核心,是系統研究工作的重點。系統采用歐姆龍(omron)公司近年推出的α系列plc,該機型為介于大型機與小型機之間的中小型機,***大控制i/o點數為1184點。在應用中,中央處理器單元(cpu)采用c200hx-cpu43-e,它自帶一個編程口和一個rs232c口,該cpu具有豐富的指令功能,編程方便;開關量輸入模塊選用c200h-id212;開關量輸出模塊選用c200h-oc225;與上位機的通訊,通過在cpu中插入通訊板c200hw-com06-e(該板具有一個rs232c和一個rs-422/485)實現遠程通訊,由于采用了rs-422接口,采取平衡式發送,因此數據傳輸率高,而且串擾小,傳輸距離可達500m。特別對串并聯的并網光伏太陽能電池陣列的跟蹤系統控制,能發揮plc現場總線控制的優勢,進行集中控制。經過研究和優化設計,應用集成標準線路,采用模擬差壓比較原理,控制器具有跟蹤精度高、范圍寬、自動返回功能。限位裝置具有東、西、上、下四個方位的極限限位功能。采用雙重限位控制結構,即控制信號限位和驅動電機限位,保證了設備可靠地工作。圖2所示為plc輸入/輸出硬件配置圖。

圖2 plc輸入輸出硬件配置圖
1.2傳感器檢測和信號處理單元太陽的方位隨著觀測位置和觀測時間的不同而不同,因此,欲跟蹤太陽就必須先對太陽進行檢測定位。檢測太陽光光強的方法有定時法、坐標法、太陽能電池板光強比較法和光敏電阻光強比較法。對這4種控制方法進行了對比篩選后認為:定時法電路雖然簡單,但由于季節的影響,系統的控制精度較差;坐標法控制精度較高,但控制電路復雜;光強比較法使系統的太陽能利用率不能達到***佳;光敏電阻比較法電路實現***簡單,對太陽能的利用率***大。
基于此,選擇控制精度高和電路易于實現的光敏電阻光強比較法作為本研究系統的檢測方案。光敏探測頭(傳感器)是太陽能電池板跟蹤系統的光信號接收器,它是利用光敏電阻在光照時阻值發生變化的原理,將兩個完全相同的光敏電阻分別放置于一塊電池板東西方向邊沿處的下方(光與電池板垂直時,一半可接收光,一半在下邊)。如果太陽光垂直照射太陽能電池板時,兩個光敏電阻接收到的光照強度相同,所以它們的阻值完全相等,此時電動機不轉動。當太陽光方向與電池板垂直方向有夾角時,接收光強多的光敏電阻阻值減小,驅動電動機轉動,直至兩個光敏電阻上的光照強度相同。控制靈敏度的高低直接影響跟蹤精度,光敏電阻光強比較法的優點在于控制精確,電路設計比較容易實現。經過實驗研究,選用質量輕、美觀、耐腐蝕的鋁合金材料,光電接收管經過嚴格的計算、定位,以保證其檢測靈敏度。
圖3所示是太陽光電定位裝置中光電檢測電路的俯視圖,共由9個光電三極管組成。正中央1個,旁邊8個圍成一圈。將此檢測板用一不透光的下方開口的圓柱體蓋住,圓柱體的直徑略大于檢測板的外圓。圓柱體的上方中央開一個與檢測用的光電二極管直徑相同的洞,以便光線通過。將整個光電檢測裝置安裝在太陽能光電池板上,光電二極管的檢測面與電池板平行。在圓柱體的外面不受圓柱體遮擋的地方(確保會受到光線的照射)也安裝一個光電二極管,其朝向與圓柱體內的光電二極管朝向相同,用于檢測環境亮度,并與圓柱體內的每個光電二級管及運放(可用lm324集成電路中的一個)構成一個比較電路。這樣當圓柱體內的光電二極管沒有受光線照射時,運放將輸出低電平,此電平可接到的輸人端進行檢測,圓柱體內的每個光電二級管各用一個plc的輸入端,共9個。這樣就可以檢測太陽光線的朝向,來決定哪個電機轉動,向哪個方向轉動。另外,為了增大光電二極管的檢測范圍,視實際情況需要,也可再增加一圈緊密排列的光電二極管,外圈的光電二極管與內圈的相應位置的光電二極管并聯。

圖3 光電檢測排列
圖4所示為信號處理單元電路,當太陽輻射強度增加時,光電電阻阻值減小,1k可變電阻的壓降增加,從而產生與太陽光輻射強度有直接關系的電壓信號。兩個傳感器的輸出信號與plc模擬輸入端口連接,并對這兩個模擬信號進行比較運算,從而輸出正確的信號,以驅動太陽能電池板跟蹤系統的電磁機構。

圖4 信號處理單元
1.3光照度傳感器檢測太陽能光譜范圍,是一種專門測量光度、亮度的儀器儀表。就是測量光照強度(照度)是物體被照明的程度,也即物體表面所得到的光通量與被照面積之比。照度計通常是由硒光電池或硅光電池和微安表組成。


圖5 照度計傳感器圖
| 顯示 | 3-1/2位液晶顯示及模擬條形碼指示 |
| 測量檔位 |
20.00 Lux, 200.0 Lux, 2000 Lux, 20.00 Klux 20.00 fc, 200.0 fc, 2000 fc, 20.00 Kfc (1 fc = 10.76 Lux) |
| 過載顯示 | 顯示“OL” |
| 分辨率 | 0.01 Lux (0.01fc) |
| 準確度 | ±3%rdg ± 0.5% f.s (大于10KLux檔準確度為 ±4%rdg ±10dgts, 以色溫2856K標準平面燈校正 |
| 光譜準確性 | f 1 < 6% |
| 溫度特性 | ±0.1% 1℃ |
| 取樣率 | 數字顯示每秒2.5次,模擬顯示每秒13.3次 |
| 感光體 | 硅制光二極管及瀘光鏡片 |
| 記錄組數 | ***多255組 |
| 操作溫濕度 | 0℃ ~ 40℃,80%R.H.以下 |
| 儲存溫濕度 | -10℃ ~ 50℃,70%R.H.以下 |
| 電 源 | 6顆1.5V AAA電池 |
| 電池壽命 | 連續使用約400小時 (碳鋅電池) |
| 光檢測器引線長度 | 150cm |
| 光檢測器尺寸 | 150公分及92(長) × 60(寬) × 29mm(高) |
| 電表尺寸 | 150(長) × 72(寬) × 35 mm (高) |
1.4光伏模塊
光伏模塊采用三菱光伏智能功率模塊pv-ipm(pm50b4la060),其技術參數主要有峰值功率pmax=85w,***佳工作電壓17.5v,這些參數是在標準的試驗條件下測試的(太陽光強度1000w/m3,太陽板溫度25℃,空氣質量1.5)。1.5系統電源模塊
電源電路采用開關電源設計,具有高效率、低損耗的特點。采用開關控制芯片l4960,能提供5.1~40v的輸出電壓和2.5A的輸出電流。電源電路如圖5所示,通過調整兩個電阻r3和r4,以產生12-24v直流電壓,24v(dc)用于plc電源,44v(dc)直接取自整流橋側供給直流電機。如果用于光伏逆變系統的跟蹤系統,220v(ac)可以直接取自光伏逆變電源。

圖5 開關電源設計
二、MY-JZG太陽能基站光照跟隨PLC控制實訓模型光伏系統軟件設計并網光伏發電系統控制軟件采用模塊化設計,包括plc控制和監控程序、pc監控和數據處理程序兩個主要部分。
2.1 plc控制和監控程序
plc控制語句是整個太陽能電池板跟蹤系統的重要組成部分,軟件編程采用歐姆龍公司的cx-programmer 7.1,cx-p梯形圖編程支持軟件為使用者提供了從操作界面到程序注釋的全中文操作環境,支持windows的拖拉及粘貼操作,以及完備的檢索功能和常用標準位簡易輸入功能,為使用者創造了一個高效的編程操作環境。通過計算機的rs-232c口與plc的rs-232c口連接,對plc進行數據實時監控、修改和在線編輯等,方便地把程序傳遞到plc中或從plc中讀出數據。plc主要完成如下工作:
(1) 控制跟蹤系統的運動,控制邏輯如圖6所示。

圖6 控制過程的邏輯順序
(2) 此子程序是將plc輸入與輸出狀態復制到內存的特定位置,稱為標記區域,pc監控程序能隨時直接從內存區域讀取輸入和輸出狀態。(3) 采樣數據存儲。這是一個在線采集存儲過程,通過ram數據存儲內部的特殊矩陣,每一小時讀取光敏電阻的值。數據采集白天進行,晚上停止,直到第二天日出。采集的時間(小時和分鐘)存儲在不同的矩陣,然后在pc機的屏幕上顯示出來。當ram內存滿時,將不再存儲數據,直到復位操作將存儲數據清除。這部分程序采用順序功能圖表(sequential functioning chart,sfc)進行編程,算法如圖7所示。

圖7 存儲過程順序功能圖
2.2 pc監控和數據處理程序采用面向對象的高級編程語言visual basic 6.0實現以下功能:
(1) 自動檢測pc機rs232串口和plc端口的連接狀態。
(2) 系統監控。決定光伏模塊的實際位置和運動方向,顯示光敏電阻的讀數,以及內存溢出標記。
(3) 模塊的強制性前向和反向運動。通過程序界面,發出指令控制plc操作。如果出現系統位置異常,可強迫太陽板按照操作要求恢復初始位置。
(4) 顯示系統設置。顯示存儲在plc內存中的太陽跟蹤系統的設置,如前向和反向運動極限,光線暗度極限,前向和反向停止極限,以及對這些參數設置可直接進行修改。
4 結束語
本研究基于歐姆龍plc,采用光敏電阻比較法,構建了自動跟蹤系統模型,使太陽能電池板自動保持與太陽光垂直。太陽能電池板自動跟蹤太陽光并網發電系統的研究,有效地提高了太陽能的利用率和光伏發電系統的效率,增加了全年的發電功率輸出,從整體上降低了光伏并網發電的成本,符合構建環保型和節能型社會發展的要求,具有很高的經濟效益,并能產生良好的社會影響,具有理論研究意義和應用推廣前景。基于plc的太陽能電池板跟蹤系統能用于獨立的太陽能光伏發電,也能應用于串/并聯的并網光伏發電系統的現場總線控制,具有良好的應用前景。


