DB-CLFS 廢水SBR處理實驗裝置使用說明書
一、 技術參數:
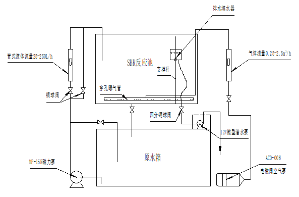
a) 裝置本體為一矩形水池,內有曝氣管、浮動出水堰、進水管、排水管。采用為間歇式SBR反應器。
b) SBR反應器:550×400×450mm、δ=8mm有機玻璃,內裝曝氣管。
c) 水 泵:磁力驅動泵,額定流量0.6m3/h、額定揚程2m、額定功率15W,1臺。
d) 氣 泵:電磁式空氣泵,額定功率105W、額定電源220V/50HZ、最大壓力0.042mpa、最大排氣量100L/min,1臺。
e) 液體流量計:LZS-15型,流量:25-250L/h。
f) 氣體流量計:LZB-15型,流量:025-2.5m3/h。
g) 水箱尺寸(PVC):900×500×450 mm。
h) 控制屏與框架均采用不銹鋼材質,結構緊湊,外形美觀,裝置流程簡單、操作方便。
i) 外形尺寸:1200×500×1400mm。
二、 實驗指導:
1. 實驗概述:
活性污泥法是當前應用最為廣泛的一種生物處理技術,活性污泥就是生物絮凝體,上面棲息、生活著大量的好氧微生物,這種微生物在氧氣充足的環境下,以溶解型有機物為食料獲得能量、不斷生長,從而使廢水得到凈化。該方法主要用來處理低濃度的有機廢水。本方法的主要設備為反應裝置和提供氧氣的曝氣設備。主要是為廢水處理所提供的實驗裝置。
2. 實驗目的:
1、了解SBR工藝曝氣池的內部構造和主要組成;
2、掌握SBR工藝各工序的運行操作要點;
3、就某種污水進行動態實驗,以確定工藝參數和處理水的水質。
3. 實驗原理:
SBR法與傳統活性污泥法的最大區別就是:以時間分割的操作方式代替了傳統的空間分割的操作方式;以非穩態的生化反應代替了傳統的穩態生化反應;以靜止的理論沉淀方式代替了傳統的動態沉淀方式。SBR技術的核心就是SBR反應器(池),該池將調節均化、初沉、生物降解、二沉等多重功能集于一池,通常情況下,它主要由反應池、配水系統、排水系統、曝氣系統、排泥系統,以及時間控制系統所組成。SBR工藝在運行上的主要特征就是順序、間歇式的周期運行,其一個周期的運行通常可分為以下五個階段。
1、流入階段:將待處理的污水注入反應池,注滿后再進行反應。此時的反應池就起到了調節池調節均勻化的作用。另外,在注水的過程中也可以配合其他操作,如曝氣、攪拌等一道某種效果。
2、反應階段:污水達到反應器設計水位后,便進行反應。根據不同的處理目的,可采取不同的操作,如欲降解水中的有機物(去除BOD)要進行硝化;吸收磷就以曝氣為主要操作方式;若欲進行反硝化反應則應進行慢速攪拌。
3、沉淀階段:以理想靜態的沉淀方式使泥水進行分離。由于是在靜止的條件下進行沉淀,因而能夠達到良好的沉淀澄清及污泥濃縮效果。
4、排放階段:經沉淀澄清后,將上清夜作為處理水排放直至設計最低水位。有時在此階段在排水后可排放部分剩余污泥。
5、待機階段:此時反應器內殘存高濃度活性污泥混合液。
整個運行如圖所示:

SBR工藝曝氣池運行工序示意圖
這5個工序構成了一個處理污水的周期,可以根據需要調整每個工序的持續時間。進水、排水、曝氣等動作均由可編程時控器設置的程序自動運行。
4. 在工藝方面SBR法具有以下特點
1、 生化反應推動力大,反應效率高,池內可處于好氧、厭氧交替狀態,凈化效果好。
2、 運行穩定,污水在理想狀態下沉淀,沉淀效率高,排出水水質好。
3、 耐沖擊負荷能力強,池內滯流的處理水對污水有稀釋、緩沖的作用,可以有效抵抗水量和有機物的沖擊。
4、 運行靈活,工序的操作可根據水質水量進行調整。
5、 構造簡單,便于操作及維護管理。
6、 控制反應池中的DO,BOD5,可有效控制活性污泥膨脹。
7、 適當控制運行方式可實現耗氧、缺氧、厭氧的交替,使其具有了較好的脫氮、除磷效果。
8、 工藝流程簡單,造價低,無需設二沉池及污泥回流系統,初沉池和調節池通常也可省略,占地面積小。
5. 實驗流程圖:
6. 實驗操作步驟:
1、 按總電源開關,打開水泵將原水送入反應器,至設計水位。
2、 關閉水泵打開氣閥,氣泵開始曝氣(根據目的不同,也可設定時間2-3小時在進水的同時也進行曝氣等操作)。
3、 到達預定的曝氣時間后,停止曝氣,關閉氣閥,使反應器內混合液靜沉,靜沉的時間一般控制在1~2小時。
4、 經過設定的靜沉時間后,打開排清閥,使排水管中充滿上清夜,并使潷水器上浮到液面上,打開出水泵,排出上清夜。
(一)使用前的檢查
1、檢查關閉以下閥門:
(1)進水箱的排空閥門
(2)空氣泵的出氣閥門
(3)潷水器的出水閥
(4)SBR反應器的排空閥門
2、檢查進水泵、空氣泵、攪拌器、出水泵的電源開關,是否插相應的位置上。
(二)活性污泥的培養和馴化
1、將活性污泥培養液直接倒入SBR反應器中,并加入2-4L左右的活性污泥種源。
2、將每日夠用一次的活性污泥培養液倒入進水箱(1/4箱左右,每日添加)。
3、設置:SBR曝氣時間20小時;靜止沉淀時間30分鐘;潷水時間30秒;閑置期時間(活化攪拌時間)10分鐘。
4、啟動SBR反應器讓其自動工作。
5、當活性污泥培養到污泥體積到20~30%時,便可進行馴化工作。每天在培養液中加入一定量的實驗廢水進行馴化培養,加入量不斷增加,直至活性污泥完全馴化為止。
6、如果您采用人工配制易降解的實驗水進行實驗,則無需馴化過程。
(三)進行實驗
1、將實驗廢水或人工配制實驗水倒入進水箱
2、設置好不同階段的控制時間
3、將電源控制箱插頭插上電源,開啟總電源空氣開關,打開各個功能開關。
4、打開空氣泵出氣閥。
5、設定時間控制器控制時間,SBR反應器進入工作狀態。
6、當您所設置的潷水時間到了以后,直接從電磁閥出水口取樣,進行相關的檢測項目測定,得到實驗結果。
(四)實驗完畢整理
1、關閉空氣泵的出氣閥
2、關閉功能插座上的所有開關
3、關閉電源控制箱上的空氣開關,拔下電源插頭
4、打開進水箱、SBR反應器的所有排空閥門排水
5、用自來水清洗各個容器,排空所有積水,待下次試驗備用。
7. 實驗結果記錄與處理:
| SBR實驗結果記錄與處理 | |||||||||
| 原水 | 反應器內 | 出 水 | 排泥量 | 污泥負荷 | 泥 齡 | ||||
| Q L/d |
L0 mg/L |
水 溫 ℃ |
D0 mg/L |
Xv mg/L |
Le mg/L |
SS mg/L |
Q L/d |
Nx Kg/kg﹒d |
θ d |
水泵在初次使用或長期不用再使用時,請先向泵體灌滿引水。
當氣溫低于4℃時,應做好防凍工作,以免凍裂泵體。
若電泵長期不使用,應卸下管路,排凈泵體積水,將主要零部件擦洗干凈,進行防銹處理,置于干燥通風處,妥善保管。


