跳轉指令實驗
跳轉與跳轉標號指令指令格式及功能

說明:
(1)跳轉標號n的取值范圍是0~255;
(2)跳轉指令及跳轉標號指令只能用于同一程序段中,不能在主程序段中用跳轉指令,而在子程序段中用跳轉標號指令。
設I0.3為點動/連動控制選擇開關,當I0.3得電時,選擇點動控制;當I0.3不得電時,選擇連續運行控制。采用跳轉指令控制的點動/連動控制程序如下圖所示

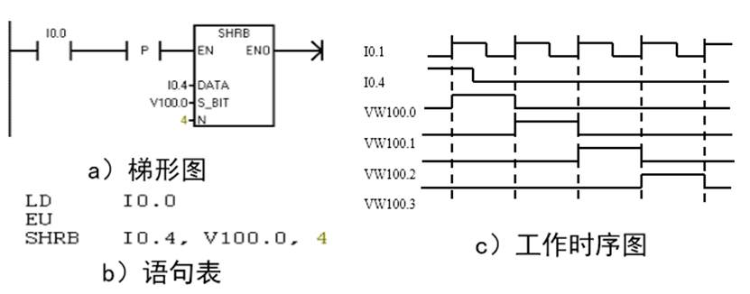
7-8 移位寄存器實訓
移位寄存器指令
說明:
(1)S_BIT和N定義一個位移位寄存器。寄存器的長度為N;寄存器的移位方向由N的符號決定,N為正值寄存器左移(由低位向高位移動),N為負值寄存器右移(由高位向低位移動);寄存器的起始位由S_BIT指定,N為正時S_BIT為最低位,N為負時S_BIT為最高位。
(2)DATA和S-BIT尋址I、 Q、 M、 SM、 T、 C、 V、 S、 L的位值;N為字節尋址,可尋址的寄存器為VB、 IB、 QB、 MB、 SB、 SMB、 LB、 AC, 也可立即數尋址。
(3)移位指令影響特殊內部標志位SM1.1(移出移位寄存器的數據進入溢出標志位SM1.1

7-9 數據處理指令實驗
1.數據傳送指令
功能:
當使能位EN為1時,把輸入的數據(IN)傳送到輸出(OUT)
說明:
(1)操作碼中的X代表被傳送數據的長度,它包括四種數據長度,即字節(B)、字(W)、雙字(D)和實數(R)。
(2)操作數的尋址范圍要與指令碼中的X一致。其中字節傳送時不能尋址專用的字及雙字存儲器,如T、C、及HC等;OUT尋址不能尋址常數。

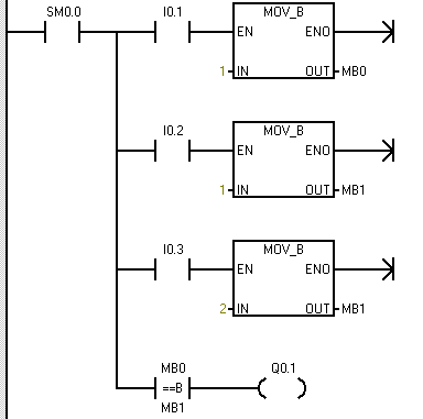
2.數據比較指令

功能:
比較兩個數IN1和IN2的大小,若比較式為真,則 該觸點閉合。
說明(1)操作碼中的F代表比較符號,可分為“=”、“<>”、“>=”、“<=”、“>”及“<”六種;
(2)操作碼中的X代表數據類型,分為字節(B)、字整數(I)、雙字整數(D)和實數(R)四種。
操作數的尋址范圍要與指令碼中的X一致。
字節指令是無符號的,字整數、雙字整數及實數比較都是有符號的。

實驗步驟,將上圖所示程序下載至PLC中,分別接通I0.1,I0.2,I0.3觀察輸出Q0.1變化
7-10 微分、位操作實訓
1.置位復位指令編程下圖中的起保停程序可由置位復位指令編寫
基本邏輯指令“起保停”
置位、復位指令“起保停”
2.正負跳變指令
當信號從0變1時,將產生一個上升沿(或正跳沿),而從1變0時,則產生一個下降沿(或負跳沿),如下圖所示。

|
梯形圖 LAD |
語句表STL | 功 能 | |
| 操作碼 | 操作數 | ||
|
|
EU | 無 | 正躍變指令檢測到每一次輸入的上升沿出現時,都將使得電路接通一個掃描周期 |
|
|
ED | 無 | 負躍變指令檢測到每一次輸入的下降沿出現時,都將使得電路接通一個掃描周期 |
7-11 順序控制實訓
在運用PLC進行順序控制時常采用順序控制指令,這是一種由順序功能圖設計梯形圖的步進型指令。首先用順序功能圖描述程序的設計思想,然后再用指令編寫出符合程序設計思想的程序。順序控制指令可以將順序功能圖轉換成梯形圖程序,順序功能圖是設計梯形圖程序的基礎。1.順序功能圖簡介
一個三步循環步進的順序功能圖如圖1所示。

圖1 順序功能圖

圖2 狀態步之間的邏輯關系
2.順序控制繼電器指令

說明:1)順序控制繼電器位n必須尋址順序控制繼電器S的位。不能 把同一編號的順序控制繼電器位用在不同的程序中,例如,如果在主程序中使用S0.1,則不能在子程序中再使用;
2)在SCR段之間不能使用JMP和LBL指令,即不允許跳入或跳出SCR段。可以使用跳轉和標號指令在SCR段內跳轉;
3)不能在SCR段中使用FOR、NEXT和END指令。
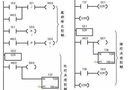
3. 順序控制繼電器指令編程舉例
紅綠燈循環點亮控制
1)紅綠燈循環點亮控制要求
按下起動按鈕,紅燈點亮1S后熄滅,同時綠燈點亮;綠燈點亮1S后熄滅,再點亮紅燈,不斷循環直至按下停止按鈕
2)繪制順序功能圖
根據控制要求繪制紅綠燈循環點亮的順序功能圖。

3)編制梯形圖程序



