一、操作所需電器元件明細表
| 代號 | 名 稱 | 型 號 | 規 格 | 數量 | 備 注 |
| QF | 低壓斷路器 | DZ108-20/10 | 0.63-1A | 1 | |
| FU | 直插式保險座 | RT14-20/2A | 配熔體3A | 3 | |
| KM | 交流接觸器 | CJX2-1210 | 線圈AC380V | 1 | |
|
SB1 SB2 |
按鈕開關 | 2 |
SB1綠色 SB2紅色 |
||
| M |
三相鼠籠式 異步電動機 |
WDJ24 | UN380V(Y) | 1 | |
| FR | 熱繼電器 | 整定電流0.63A | 1 |
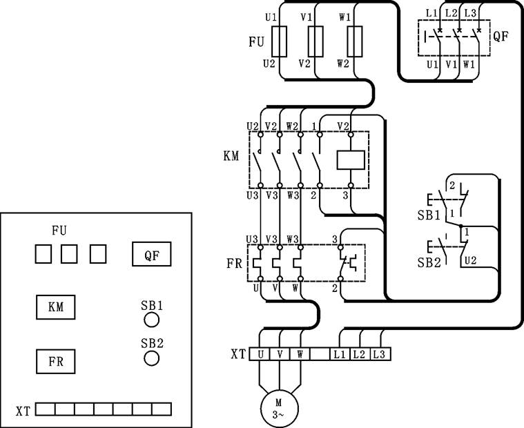
二、電路圖

圖3(a)
線路的動作過程是這樣的;當按下起動按鈕SB1,線圈KM通電主觸頭閉合,電動機旋轉。當松開按鈕時,電動機M不會停轉,因為這時,接觸器線圈KM可以通過并聯在SB1兩端已閉合的輔助觸頭KM(1-2)繼續維持通電,保證主觸頭KM仍處在接通狀態,電動機M就不會失電,也就不會停轉。這種松開按鈕而仍能自行保持線圈通電的控制線路叫做具有自鎖(或自保)的接觸器控制線路,簡稱自鎖控制線路。與SB1并聯的這一對常開輔助觸頭KM叫做自鎖(或自保)觸頭。
三、安裝與接線

圖3(b) 圖3(c)
按圖3(b)布置的位置,在WD-21、WD22鐵板上選擇熔斷器FU、開關QF、接觸器KM、熱繼電器FR、按鈕SB1、SB2及端子排XT等器件。
接線時動力電路用黑色線,控制電路用紅色線;啟動按鈕SB1用綠色,停止按鈕SB2用紅色。安裝接線后應符合第二章的要求。
四、檢測與調試
確認接線正確后,接通交流電源L1、L2、L3并“合”開關QF,按下SB1,電機應起動并連續轉動,按下SB2電機應停轉。若按下SB1電機起動運轉后,電源電壓降到320V以下或電源斷電,則接觸器KM的主觸頭會斷開,電機停轉。再次恢復電壓為380V(允許±10%波動),電機應不會自行起動——具有欠壓或失壓保護。


