DB-589 水靜壓強儀
主要用途:觀察流體靜特性,學習一種測量流體密度的方法、演示、驗證有關水靜力學的基本方程式。主要配置:實驗功能:
本實驗臺可觀察:
1、量測靜水中任一點的壓強;
2、測定另一種液體的比重;
3、要求掌握U形管和連通管的測壓原理及運用等壓面概念分析問題的能力。
設備配置:
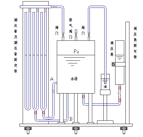
實驗本體主容器、加壓水箱、測壓管、可密閉有機玻璃水箱、壓力調節器、排氣閥、放水閥、多種測壓管組、實驗本體支架、量杯(250mL)等。
設計參數:
外形尺寸:600×200×800mm 材質:有機玻璃

DB-589 水靜壓強儀指導書
水靜壓強特性實驗
一、演示目的
1.加深理解靜力學基本方程式及等壓面的概念。
2.理解封閉容器內靜止液體表面壓力及其液體內部某空間點的壓力。
3.觀察壓力傳遞現象。
二、演示原理
對密封容器的液體表面加壓時,設其壓力為P0,即P0>Pa。從U形管可以看到有壓差產生,U形管與密封容器上部連通的一面,液面下降,而與大氣相通的一面,液面上升。由此可知液面下降的表面壓力即是密閉容器內液體表面壓力P0,即P0= Pa+ρgh,h是U形管液面上升的高度。當密閉容器內壓力P0下降時,U形管內的液面呈現相反的現象,即P0<Pa,這時密閉容器內液面壓力 P0= Pa-ρgh。H為液面下降高度。

水靜壓強實驗臺
三、演示步驟如果對密閉容器的液體表面加壓時,其容器內部的壓力向各個方向傳遞,在右側的測壓管中,可以看到由于A,B、兩點在容器內的淹沒深度h不同,在壓力向各點傳遞時,先到A點后到B點。在測壓管中反應出的是A管的液柱先上升而B管的液柱滯后一點也在上升,當停止加壓時,A、B兩點在同一水平面上。
1.關閉排氣閥,用加壓器緩慢加壓,U形管出現壓差 ,在加壓的同時,觀察右側A、B管的液柱上升情況。
2.打開排氣閥,使液面恢復到同一水平面上,關閉排氣閥,打開密閉容器底部的水門,放出一部分水,造成容器內壓力下降。
四、討論
1.為什么P0為表壓,真空值?
2.用該設備是否可以測出其他液體的重度?為什么?


